東晟產品分類
聯系我們
廣東東晟密封科技有限公司
電話:
傳真:
地址:石碣鎮橫滘工業區偉業街
郵編:523302
E-mail:
機械密封的力學單位都代表什么嗎?
來源:廣東東晟密封科技有限公司更新時間:2016-04-07
正因我們所看到的一樣,在機械密封領域中密封的作用是分為動密封和靜密封。作用于各種載荷中,這些載荷歸結起來可以分為二種力學反應:一是閉力學反應;二是開力學反應(又稱開啟力)。此二種力學反應的存在,才能保持密封端面的力平衡。
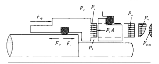
以上為大家普及什么機械密封中力學反應,接下來東晟密封件告訴您機械密封的力學單位都代表什么。機械密封摩擦副軸力平衡分析平面圖(圖1)
機械密封摩擦副軸力平衡分析平面圖(圖1)
機械密封的力學的單位表示:
Fap ——彈性元件施加給補償環的載荷;
Ffr ——補償環輔助密封與滑移面之間的摩擦力;
Fi ——補償環組件軸向加速運動產生的慣性力;
Pc ——密封端面接觸比壓;
Pe ——密封液體壓力作用比壓;
Pm ——平均流體膜壓力。
機械密封圈 m.chbabys.com

