東晟產品分類
聯系我們
廣東東晟密封科技有限公司
電話:
傳真:
地址:石碣鎮橫滘工業區偉業街
郵編:523302
E-mail:
[DMKES]什么叫反斯特封呢?其參數?
來源:廣東東晟密封科技有限公司 - m.chbabys.com更新時間:2017-12-26
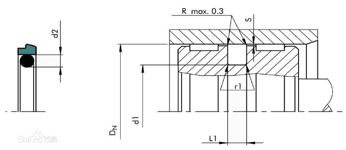
反斯特封由一個PTFE耐磨圈和一個作為預警元件的橡膠O型密封圈組成。東晟密封件告訴您糨是一種可承受高壓、低壓或交變壓力的單向作用的往復密封件。
反斯特封即為孔用斯特封,和斯特封剛好密封面相反,彈性體在密封環內,與格來圈用法相同,只是接觸面(及密封部位)不一樣,反斯特封接觸面成線性結構,而格來圈成面性結構。
一、反斯特封的標準密封材料:
1、密封環:填充聚四氟乙烯F-PTFE
2、O型密封圈:丁晴橡膠NBR或氟橡膠FKM
二、反斯特封的基本參數:壓力、溫度、介質。
1、代碼:DMKES
2、壓力≤(MPa):40
3、溫度℃:-30/+100
4、速度≤(m/s):5
5、介質:液壓油、阻燃液、水、氣
6、材料:PTFE/NBR/PU
7、適用:陶瓷設備,重載油缸,注射機,油壓機,冶金設備

了解更多反斯特封的問題,就在東晟密封件廠家網哦!
本文章來自于網絡共享,版權歸原作者所有,如有侵權請告知,24小時內即刻下線!
斯特封,反斯特封,密封件,密封
文章整理東晟密封件公司dshmfcom
![[DMKES]什么叫反斯特封呢?其參數?](/uploadfiles/202506070947282272.jpg)